알루미늄 루버
[의미]
길고 가는 평판을 수평이나 수직 혹은 격자 모양으로 개구부의 앞면에 설치하여 직사광이나 비를 막고, 통풍이나 환기를 목적으로 하며, 공기 조화에서는 외기 흡입구· 배기구 등에 이용되고 있습니다.
[루버의 종류]
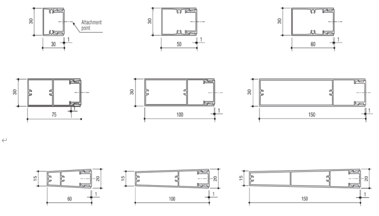
1) 연결형 루버

연결형 루버의 최대문제는 풍압문제입니다. 저층 1~3층이하는 큰 문제가 아니지만 고층으로 갈수록 풍압이 세지면서 루버구조물이 꺽이거나 불량하게 시공될경우 벽체와 함께 낙하될수도 있습니다.
이러한 풍하중의 문제 때문에 고층건물 설계시 연결형 루버는 슬라브을 이용한 앵커로 고정되는게 일반적입니다. 커튼월의 시공방법과 비슷하게 됩니다
최근의 기후변화가 심하여 풍하중에 의한 구조계산이 필수로 반영되어야 하며 고정방법도 통상 태풍에 대한 최대 풍속값이 반영되어야 합니다.

2) 사각루버 (스크린루버) 내부용/ 외부용
가장 대중적으로 사용되는 형태로 제작, 보관 설치가 쉾습니다
주로 실외 또는 계단등 건물 일부분을 가리거나 파티션, 파고라 프론트입구, 내벽등에서 포인트 연출용으로 많이 사용됩니다
빌딩이나 고층건물의 디자인에 많이 활용되기도하며 세로로 길게 설치하면 건물의 높이가 강조되면서 미관을 극대화하는 역할을 하게됩니다. 가로나 격자로 설치하면 더 다양한 디자인을 고층건물에 구현할수 있습니다



3) 블라인드형 루버
주로 커튼처럼 창문 근처에 설치하며, 채광조절과 외풍차단에 효과적입니다.
거실내부 디자인 효과가 뛰어나며 먼지만 가끔씩 털어주면 영구적으로 사용되므로 커튼보다 관리가 수월해집니다


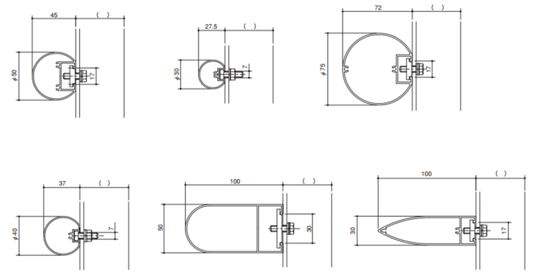
4) 원형루버 및 삼각루버
사각루버와 다르게 원형으로 설치가 가능하여 코너부분에서도 설치가 가능합니다
루버가 원형이여서 기존 사각 루버와 다른 느낌으로 디자인이 가능합니다


5) 타공루버
저층건물이나 건물 한 부분을 디자인할 때 사용합니다
여러가지 타공이 가미된 루버로 다양한 이미지 연출이 가능하고 실내 인테리어로도 많이 사용됩니다


6) 격자루버
건물 천정부분에 격자형식을 장식된 루버를 설치하여 공간적 안정감과 인테리어효과를 주고 개방감으로 실내가 확장된 것처럼 느껴져 많이 설치됩니다


[알루미늄 도장의 종류]
1) 불소도장 (PVDF)
현재 가장 많이 사용되는 도장으로 일반적인 산업자재부터 건축자재까지 광범위하게 사용됩니다
불소수지도장 (PVdF)란 분체도료와 성분이 유사하지만 액체 상태로 도장을 하여 넓은 범위에
균일하게 도장이 가능합니다.
불소도장의 가장 큰 특징은 저렴한 가격에 매우 우수한 품질이 보장되고 광범위한 색상을
표한할수 있다는게 가장 큰 장점입니다.
불소도장은 최소 20~30년까지 색상이 유지되므로 통상 건물 외장재에 사용되지만 색상이
다양하기때문에 내장재로도 사용됩니다.
색감이 다양하기 때문에 인테리어에 많이 이용되며 내구성 또한 매우 뛰어나 국내외에서 가장 많이 사용됩니다.
[불소도장- 목무늬 / 내부용 외부용 모두사용]

[불소도장- 일반색상 / 내부용 외부용 모두사용]



2) 분체도장 (powder coating)
분체 도장은 가루 모양의 도료를 금속에 직접 부착해서 가열하고 건조시키고 굳히는 도장법입니다. 일반적인 도장에 쓰이는 유기 용제를 전혀 사용하지 않기 때문에, 환경, 인체에의 영향이 작고 환경 보전이나 건강 증진에 대한 대처가 강화돼 현재 관심이 높아지고 있습니다. 또 자원 절약성도 뛰어나고 자동화하기 쉽다는 특징도 있습니다.
이러한 이유부터 용재 도장의 전환이 진행되고 있으며 그 시장은 확대되고 있습니다.
분체도장도 다양한 색상을 표현할수가 있어 많이 사용되며 주로 내장재에 사용됩니다.
외장재의 경우 고내식성 도장을 해야해서 가격이 많이 비싸집니다.
미국, 호주, 캐나다 등에서 많이 사용되며 분체도장도 색감이 다양해 실내 인테리어 제품에 많이 사용됩니다. 내구성은 도료의 종류에 따라 10~20년까지 보장됩니다




3) 아노다이징(anodizing), 피막
금속을 양극으로 걸쳐 희석산의 액으로 전해하면, 양극에서 발생하는 산소에 의해 소재금속과 강한 밀착력을 가진 산화 피막(산화 알루미늄 Al2O3)이 형성됩니다.
양극 산화의 가장 대표적인 소재는 바로 알루미늄(Al)이며, 그 외에 Mg, Ti, Ta, Hf, Nb도 아노다이징 처리를 실시하고 있습니다. 알루미늄 양극 산화는 다양한 조성과 농도, 첨가제, 처리액의 온도, 전압, 전류 등에 의해서 피막의 성질을 당리해 생산할 수 있습니다.
아노다이징은 금속 본연의 색상을 잘 표현할수 있고 피막처리했을때 색상이 미려하여
가장 고급스럽게 보인다는 장점이 있습니다. 이러한 이유로 아노다이징을 많이 사용하지만 아노다이징도 크게 2가지 형태로 나뉘어집니다.
경질아노다이징 : 외장용 아노다이징
고내식성용으로 제작되어 피막이 상당히 두껍게 만들어집니다. 그래서 외장용으로 사용됩니다
단점은 색상을 다양하게 내기가 어렵습니다
연질아노다이징 : 내장용 아노다이징
일반적 아노다이징으로 실내용이나 장식용으로 많이 사용됩니다.
금속 본연의 색상을 내기때문에 제품이 고급스럽고 미려하게 보입니다.
다양한 색상연출이 가능하지만 실외에 사용하면 색상이 변질됩니다

4) 열전사 및 필림
내장용으로 주로 사용되며 가장 다양한 색상을 낼수 있습니다.
또한 다양한 종류의 필림을 알루미늄 표면에 붙이는 것이기에 질감이 우수하고 목무늬의 경우
실제 목재와 같은 질감이 납니다.
단점은 외장재로 사용하면 필림이 일어나고 벗겨져 외관이 지져분해지므로
반듯이 내장재로 사용해야합니다



사용용도에 따라 다양한 도장공급이 가능합니다
현재 저희가 수출하고 있는 국가를 도장별로 분류하면 다음과 같습니다
불소도장 : 한국/ 일본/ 케나다/ 호주
분체도장 : 한국/ 일본/ 호주/ 유럽/ 미국
아노다이징 : 한국 /일본/ 케나다/ 미국/ 유럽/ 호주
열전사 및 필림 : 한국 /일본/ 케나다/ 미국/ 유럽/ 호주
수출의 경우 각 나라별 도장스펙이 다양하기 때문에 반듯이 도장스펙을 확인하셔야 합니다.
맞춤제작 주문제작합니다 . 많은 문의 부탁드립니다
감사합니다.
알루미늄 알루미늄루버 루버 스크린루버 외장루버 내장루버 실내루버 실외루버 스크린루버 사각루버 삼각루버 원형루버 격자루버 블라인드루버 블라인드 타공루버 알루미늄도장 알루미늄코팅 불소도장 분체도장 아노다이징 피막 열전사 필림
'건축자재 > 알루미늄 루버' 카테고리의 다른 글
| 실내 천정루버 (1) | 2023.09.21 |
|---|---|
| 조명루버 LED조명 인테리어조명 루버조명 (0) | 2023.08.05 |
| 알루미늄 외벽루버 스크린루버 목무늬루버 (0) | 2023.07.29 |
| 연결형 루버 스크린루버 외벽루버 장바루버 내벽루버 (1) | 2023.06.07 |
| 알루미늄루버 (0) | 2023.04.30 |